Насос циркуляционный NMT LAN 80-180 F (PN 10)
- Производитель:
- Модель:979523655
- Артикул:979523655
- Доступно:Уточните наличие0
Энергоэффективные насосы с электронным управлением для систем отопления, кондиционирования воздуха, охлаждения и коммунального водоснабжения. Циркуляционные насосы NMT (New Motor Technology) применяются для перекачки жидких сред в системах водяного отопления, кондиционирования воздуха и вентиляции.
| Характеристики | |
| Артикул | 979523655 |
| Бренд | ImpPumps |
| Вал (материал) | Нержавеющая сталь |
| Вид насоса | Центробежный |
| Класс защиты | IP 44 |
| Класс нагревостойкости изоляции | Н |
| Конструкционный тип | Горизонтальный |
| Корпус (материал) | Чугун |
| Максимальная потребляемая мощность, Вт | 20 |
| Максимальная температура перекачиваемой жидкости, °С | 110 |
| Максимальное рабочее давление, бар | 10 |
| Масса нетто, кг | 41 |
| Минимальная температура перекачиваемой жидкости, °С | -10 |
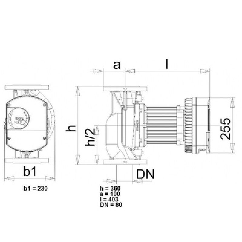
| Монтажная длина, мм | 360 |
| Наличие частотного преобразователя | Да |
| Напряжение питания, В | 210..240 |
| Номинальный диаметр (DN), мм | 80 |
| Номинальный ток, А | 7.3 |
| Перекачиваемая жидкость | Вода |
| Присоединение на всасывающей стороне | Фланцевое |
| Присоединение на напорной стороне | Фланцевое |
| Рабочее колесо (материал) | Нержавеющая сталь |
| Серия | NMT LAN |
| Тип насоса | Поверхностный |
| Тип ротора | Мокрый |
| Тип электродвигателя | Однофазный |
| Частота тока, Гц | 50 |
Пока не было вопросов.

